Mașină de turnat prin injecție de înaltă precizie
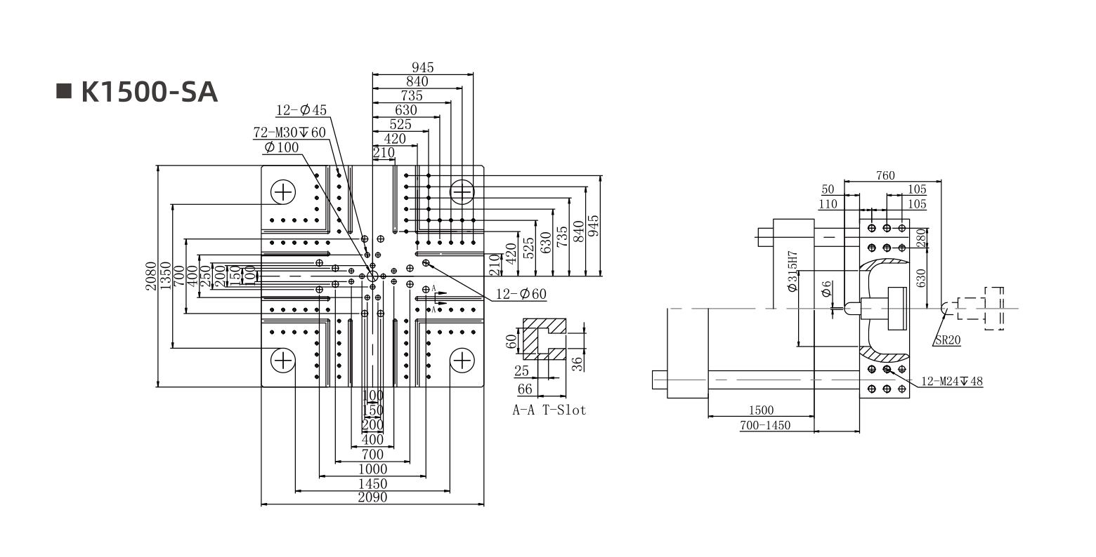
K1500-SA
PREV PRODUCT:K1850-SA
NEXT PRODUCT:K1300-SA
Mașină de turnat prin injecție de înaltă precizie
| DESCRIERE | UNITATE | K1500-SA | ||||
| EVALUAREA DIMENSIUNILOR INTERNAȚIONALE | 18200 | |||||
| A | B | C | D | |||
| UNITATEA DE INJECȚIE | Diametrul șurubului | mm | 130 | 140 | 150 | 160 |
| Raport L:D șurub | 23.7 | 22 | 20.5 | 19.3 | ||
| Volumul tragerii | cm3 | 9291 | 10776 | 12370 | 14074 | |
| Greutatea loviturii (PS) | g | 8455 | 9806 | 11257 | 12807 | |
| oz | 298.2 | 345.9 | 397.1 | 451.7 | ||
| Presiunea de injectare | Bar | 1959 | 1689 | 1471 | 1293 | |
| Viteza de injectare | cm3/s | 1341 | 1555 | 1785 | 2031 | |
| Capacitate de plastificare | g/s | 156 | 195 | 229 | 246 | |
| Viteza maximă a șurubului | r/min | 113 | ||||
| UNITATE DE PRIMER | Forța de prindere | kN | 15000 | |||
| Spațiu între barele de legătură | mm | 1450x1350 | ||||
| Dimensiunea platanelor | mm | 2090x2080 | ||||
| Cursa de deschidere | mm | 1500 | ||||
| Înălțime min.mdd | mm | 700 | ||||
| Înălțimea maximă a matriței | mm | 1450 | ||||
| Distanța dintre plăci (lumina zilei) | mm | 2950 | ||||
| Cursa ejectorului | mm | 350 | ||||
| Forța ejectorului | kN | 320 | ||||
| Numărul ejectorului | 25 | |||||
| UNITATEA DE ALIMENTARE | Presiunea sistemului | Bar | 175 | |||
| Motorul pompei | kW | 42 54 54 | ||||
| Capacitate de incalzire | kW | 91 | ||||
| GENERAL | Capacitate rezervor de ulei | L | 1300 | |||
| Dimensiunea mașinii (Lxlxh) | m*m*m | 13,8x3,1x4,5 | ||||
| Greutatea mașinii | t | 87 | ||||
| Capacitate buncăr | kg | 400 | ||||
| Nu | Configurarea componentelor | Marca | Locul de origine | Domeniul de aplicare |
| 1 | controlor | Taiwan Techmation (AK628) frezare din aluminiu de 8 inchi | Taiwan | K110-230 |
| 2 | controlor | Taiwan Techmation (TECH1) frezare din aluminiu de 8 inchi | Taiwan | K270-460 |
| 3 | controlor | Taiwan Techmation (TECH2) frezare din aluminiu de 12 inchi | Taiwan | K530-800 |
| 4 | Servopompa de ulei | SUA HIGH-TECH | STATELE UNITE ALE AMERICII | Gamă completă |
| 5 | servo motor | FAZĂ | Italia | Gamă completă |
| 6 | servomotor | FAZĂ | Italia | Gamă completă |
| 7 | Kit servo | Germania Rexroth | Germania | Opțional |
| 8 | Supapa de inversare | Japonia YUKEN | Taiwan | Gamă completă |
| 9 | Supapa de inversare | SUA VICKERS | STATELE UNITE ALE AMERICII | Opțional |
| 10 | Motor pre plastic | DANDUN | China | Gamă completă |
| 11 | Motor de reglare a matriței | DANDUN | China | Gamă completă |
| 12 | Element de etanșare | U.KHALLITE | Marea Britanie | Gamă completă |
| 13 | sistem de lubrifiere | HERG | China | Gamă completă |
| 14 | Întrerupător de circuit | SCHNEIDER ELECTRIC | Franţa | Gamă completă |
| 15 | comutator de aer | SCHNEIDER ELECTRIC | Franţa | Gamă completă |
| 16 | Riglă electronică | Bonny | STATELE UNITE ALE AMERICII | Gamă completă |
| 17 | Riglă electronică | NOVOtek | Germania | Opțional |
| 18 | Releu cu stare solidă | FOTEK | Taiwan | Gamă completă |
| 19 | Comutator de deplasare | SCHNEIDER ELECTRIC | Franţa | Gamă completă |
| 20 | Întrerupător de proximitate | FOTEK | Taiwan | Gamă completă |
| 21 | Cilindru cu șurub | TONGDA | China | Gamă completă |
Fabrică de stșiard înalt
Ningbo KSM Machinery Manufacturing Co.,Ltd. este o cooperare cu Italia tehnologii specializate din plastic de înaltă calitate în producția de mașini de turnat plastic de înaltă calitate. Compania noastră este situată în Parcul Industrial Ningbo Beilun Xing Ao. Avem un număr de personal de cercetare și dezvoltare și cooperăm cu un grup de întreprinderi de înaltă tehnologie. Ca profesionist China K1500-SA-Mașină de turnat prin injecție de înaltă precizie furnizori și OEM/ODM K1500-SA-Mașină de turnat prin injecție de înaltă precizie companie, Produce în principal mașini de turnat prin injecție de înaltă precizie cu forța de strângere de la 110T la 1850T. Produsele au o structură de înaltă rigiditate și sunt echipate cu elemente hidraulice și electrice importate, șuruburi folosite cu cap de amestecare pentru a avea performanțe excelente de plastificare și pentru a fi potrivite pentru diverse turnare prin injecție de plastic de inginerie și sunt disponibile comenzile speciale ale utilizatorilor. De la înființarea sa, a acordat întotdeauna atenție reputației întreprinderii, a desfășurat un management științific, cu design rațional, se bazează pe servicii de calitate pre-vânzare, vânzare și post-vânzare pentru a câștiga încrederea și aprobarea unui număr mare de utilizatori. Respectăm motto-ul „cinstiți, continuați să vă îmbunătățiți, puneți accent pe calitate, nu vă relaxați niciodată în efort”. Cu sinceritate bun venit prieteni din toată lumea pentru îndrumare. Compania are un centru de cercetare și dezvoltare cu o putere puternică de dezvoltare. În același timp, cooperează cu universități și colegii naționale pentru a dezvolta și cerceta echipamente de injecție și producție de plastic și mașină de turnat prin injecție. Compania are echipamente avansate de testare a furtunurilor și echipamente experimentale. În ultimii ani, centrul de cercetare și dezvoltare a obținut multe realizări în mașinile de turnat prin injecție și echipamentele din plastic, procesul de vulcanizare a cauciucului și dezvoltarea formulării. Invitați cu sinceritate clienții din țară și din străinătate să viziteze fabrica noastră și așteptăm cu nerăbdare corporația dvs. pe termen lung pentru a vă crea un mâine frumos!
De ce să ne alegeți
Avem propriul nostru laborator de testare și echipamente avansate și complete de inspecție, care pot asigura calitatea produselor produse de echipamentele noastre.
Capacitatea noastră de producție anuală este de peste 500 de seturi de mașini de turnat prin injecție.
Ne concentrăm pe dezvoltarea de produse de înaltă calitate pentru piețele de top. Produsele noastre sunt în conformitate cu standardele internaționale și sunt exportate în principal în Europa, America, Japonia și alte destinații din întreaga lume.
Suntem la doar 15 kilometri de portul Ningbo, este foarte convenabil și eficient să expediem mărfuri în orice alte țări.
Garantați calitate înaltă cu experiența noastră
Calitatea autentică de încredere iese în evidență în mod natural și nu se teme de comparație.
Vă oferim cele mai recente știri despre întreprinderi și industrie
1. Concept de bază de matrițe cu mai multe cavități Formele cu mai multe cavități se referă la...
1. Sistem hibrid ulei-electric de înaltă eficiență The Mașină electrică de injecție cu ule...
Aplicarea sistemului de răcire a uleiului în mașină de turnat prin injecție de plastic C...
Mașini de turnat prin injecție plastic joacă un rol vital în industria modernă. Ei pot prod...
Mașini de turnat prin injecție plastic joacă un rol vital în industria modernă. Ei pot prod...
Raportul de reflux este un parametru important în procesul de turnare prin injecție a plasticului, ...